注意:访问本站需要Cookie和JavaScript支持!请设置您的浏览器! 打开购物车 查看留言付款方式联系我们
初中电子 单片机教材一 单片机教材二
搜索上次看见的商品或文章:
商品名、介绍 文章名、内容
首页 电子入门 学单片机 免费资源 下载中心 商品列表 象棋在线 在线绘图 加盟五一 加入收藏 设为首页
本站推荐:
多媒体Hi-Fi功放DIY
文章长度[1544] 加入时间[2006/7/1] 更新时间[2025/10/29 6:43:40] 级别[3] [评论] [收藏]

2003年,第5期,类别:专业音响


    近年来,随着PC机的普及和DVD-ROM的价格下降,用PC机听音乐看影碟已成一种享受。其次是“金耳朵”和“银耳朵”的大量涌现,对PC机的音质要求越来越高。但对于动辄上千的高档有源系统,囊中“羞涩”的我们只能望而却步。于是笔者DIY了一套在PC上听Hi-Fi音乐的多媒体有源功放。
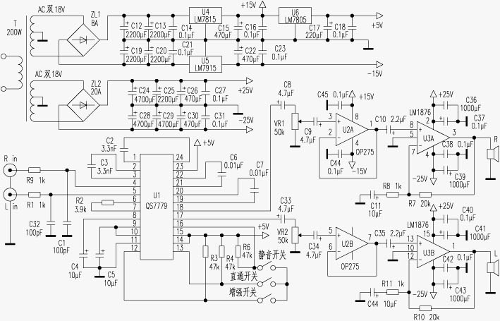
  本电路相当简洁,音效处理采用加拿大QSOUND公司的单片QS7779虚拟环绕电路。由于该电路内置了杜比定向逻辑和杜比数码混合信号解码器。不仅能使普通的立体声信号进行效果增强,当播放的是DVD的杜比数码信号时也能够先解码,然后再进行矩阵运算,虚拟化为二声道输出,另外还可以通过开关来切换不同的效果。有关该电路的使用效果和音质在音响界已有定论,比起那些形同虚设的“3D环绕”更实在。本电路的缓冲级仅用了一片OP275用于改善经过音量电位器之后的输入和输出阻抗。该款运放用在此处可以增强对末级的驱动力,减小前、后级之间在大动态下的相互影响。末级功放选用的是闻名发烧界的LM1876TF,该IC出自美国NS公司,转换速率达18μV/ms、信噪比达92dB,其静态电流只有4mA。由于集成了两路完全独立的声道,共用一块散热片,保证了电路具有较高的分离度和相同的温度特性。该IC输出功率为25W,用在听音环境不大的小型多媒体有源系统中再好不过了。该功放外围元件数量少,每声道仅有8只,所以很容易制板并对现有的多媒体音箱进行改造。
  制作要点:电阻宜选用温漂小的金属膜电阻,各处的耦合、负反馈和退耦电容应选用ELNA补品电解。变压器用200W的优质环牛,次级各为两组双18V输出,一组为小电流,另一组为大电流。电源处的滤波电容宜选用Rubycon的2200μF/50V多个并联使用。这样才能保证在大动态下具有强劲的动力。电容C14、C21、C16、C23、C18、C42、C37、C38、C40、C27、C31、C44、C45用WIMA0.1μF/63V。三端稳压用一般的LM7815、LM7915和LM7805。音效处理部分可选用市售成品板也可自制,LM1876功放块的散热器应足够大。所有元件安装和连线正确、无误后,通电即响。
  实际听音:接驳PC机上的创新SB-LIVE声卡,音箱为自制的采用惠威6.5英寸低音和SS1+高音的二分频小型书架箱。首先把音效开关置于直通,放一曲耳熟能详的《在那遥远的地方》,前奏部分由电子合成器奏出的风吹的效果声弥漫其间,弦乐中的小提琴晶莹剔透,泛音丰富。三角铁发出的高频“嚓嚓”声丝丝入扣,清晰悦耳,整个音场开阔。再将音效开关置于增强挡,放一张《未来战士续集》,用POWERDVD播放软件播放,设置音效为“立体声”,该碟中众多的爆炸场面被演绎得汹涌澎湃、气势磅礴。低频发出的强劲气流直扑胸口而功放却毫不“脚软”,各种枪支发射的子弹声方向移动感和定位感极强。对于游戏音效也有不俗的表现,笔者在玩《生化危机》时,其中的背景效果声效,特别是各种“鬼”向不同方向移动的声音再伴随凄凉的音乐,较好地营造出了一种令人毛骨悚然的氛围。仅以二百多元的价格换来如此高的性能,确实物值所超。

                                     广东  施忠



 

1、 本站不保证以上观点正确,就算是本站原创作品,本站也不保证内容正确。
2、如果您拥有本文版权,并且不想在本站转载,请书面通知本站立即删除并且向您公开道歉! 以上可能是本站收集或者转载的文章,本站可能没有文章中的元件或产品,如果您需要类似的商品请 点这里查看商品列表!
本站协议 | 版权信息 |  关于我们 |  本站地图 |  营业执照 |  发票说明 |  付款方式 |  联系方式
深圳市宝安区西乡五壹电子商行——粤ICP备16073394号-1;地址:深圳西乡河西四坊183号;邮编:518102
E-mail:51dz$163.com($改为@);Tel:(0755)27947428
工作时间:9:30-12:00和13:30-17:30和18:30-20:30,无人接听时可以再打手机13537585389