注意:访问本站需要Cookie和JavaScript支持!请设置您的浏览器! 打开购物车 查看留言付款方式联系我们
初中电子 单片机教材一 单片机教材二
搜索上次看见的商品或文章:
商品名、介绍 文章名、内容
首页 电子入门 学单片机 免费资源 下载中心 商品列表 象棋在线 在线绘图 加盟五一 加入收藏 设为首页
本站推荐:
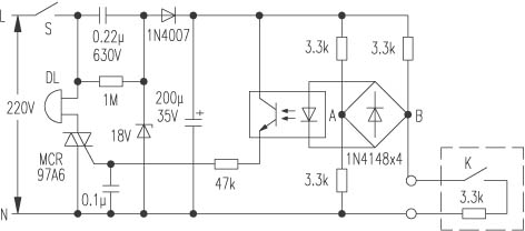
一款不易破坏的报警器
文章长度[1194] 加入时间[2006/7/1] 更新时间[2025/10/29 6:22:54] 级别[3] [评论] [收藏]

2003年,第7期,类别:电子制作


    很多居民楼都外附储藏室,由于储藏室和居室不在一处,因此若发生储藏室被撬、室内摩托车被盗的情况,主人当时还不知晓。
    这里介绍一款储藏室门开关报警器,该报警器有导线从楼层居室通向储藏室,只要主人关好储藏室门回楼层后开启报警器电源开关,此后不论是储藏室门被撬,还是报警器外线被剪断或短接,报警器都会发出报警信号。因此该报警器不易被破坏,主人可及时发现盗情。
    报警器电路见图。图中检测电路采用电阻桥,储藏室门开关采用磁控开关,门关接通,门开断开,储藏室门开关与电桥的一个电阻构成电桥的一臂,安装在储藏室内。这样,若门被撬开,则磁控开关断开;又若外线被短接或者断路,无论哪种情况,都会使桥路失去平衡,A、B两端电压经整流桥的1N4148使光耦工作,从而使双向可控硅导通,电铃发出报警信号。
    报警器电源电压采用电容降压、半波整流、18V稳压管稳压后得到。门开关可以用常开型的磁控开关,也可用其他微动开关或微型按钮代用。安装时,一桥臂电阻必须和开关装在一起。
    不需要报警时要关掉电源,不然自己开储藏室门也会报警。

                                                                         山东  尚培然



1、 本站不保证以上观点正确,就算是本站原创作品,本站也不保证内容正确。
2、如果您拥有本文版权,并且不想在本站转载,请书面通知本站立即删除并且向您公开道歉! 以上可能是本站收集或者转载的文章,本站可能没有文章中的元件或产品,如果您需要类似的商品请 点这里查看商品列表!
本站协议 | 版权信息 |  关于我们 |  本站地图 |  营业执照 |  发票说明 |  付款方式 |  联系方式
深圳市宝安区西乡五壹电子商行——粤ICP备16073394号-1;地址:深圳西乡河西四坊183号;邮编:518102
E-mail:51dz$163.com($改为@);Tel:(0755)27947428
工作时间:9:30-12:00和13:30-17:30和18:30-20:30,无人接听时可以再打手机13537585389