|
|
|
|
|
|
一.实验要求
利用实验系统提供的实验模块点阵显示,编程实现中英文字符的显示。
二.实验目的
1.了解LED点阵显示的基本原理和实现方法。
2.掌握点阵汉字库的编码和从标准字库中提取汉字编码的方法。
三.实验电路及连线
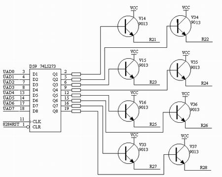
点阵显示模块WTD3088的(红色)列输入线接至内部LED的阴极端,行输入线接至内部LED的阳极端(若阳极端输入为高电平,阴极端输入低电平,则该LED点亮)。发光点的分布如图22-0所示。  Fig 22-0 WTD3088 LED分布 如图22-1示,本实验模块使用74LS374来控制列输入线的电平值。将74LS374的某输出置0,则对应的LED阴极端被置低。如图22-2示,本实验模块使用74LS273来控制行输入线,并通过9013提供电流驱动。将74LS273的某输出置1,则对应的LED阳极端被置高。每次系统重新开启或总清后,74LS273输出为全0,LED显示被关闭。
通过编程控制各显示点对应LED阳极和阴极端的电平,就可以有效的控制各显示点的亮灭。
 Fig 22-1 LED模块及列扫描电路
Fig 22-2 行扫描电路

Fig 22-3地址译码电路
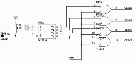
本实验模块使用4块WTD3088组成16×16点阵,以满足汉字显示的要求。为了方便的控制四个单元,使用了一片74LS139译码,产生四个地址片选信号:CLKR1= CSLED,CLKR2= CSLED+1,用于行控制的两片74LS273;CLKC1= CSLED+2,CLKC2= CSLED+3,用于列控制的两片74LS374。 实验接线:按示例程序,模块的CSLED接51/96地址的8000H。
四.实验说明
使用高亮度LED发光管构成点阵,通过编程控制可以显示中英文字符、图形及视频动态图形。LED显示以其组构方式灵活、亮度高、技术成熟、成本低廉等特点在证券、运动场馆及各种室内/外显示场合得到广泛的应用。
所显示字符的点阵数据可以自行编写(即直接点阵画图),也可从标准字库(如ASC16、HZ16)中提取。后者需要正确掌握字库的编码方法和字符定位的计算。
实验盘片中“字符转换”子目录下提供的Basc16.exe,BHz16.exe可方便的将单个字符的码表从标准字库Asc16,Hzk16中提取出来。具体使用方法是运行上述可执行程序,根据提示输入所需字符(如是汉字还需要先启动dos下的汉字环境,如ucdos,pdos95等)。程序将该字符的码表提取出来,存放在该字符ASC或区位码为文件名称的.dat文件中。用户只需将该文件中内容拷贝、粘贴到自己的程序中即可。但需要注意字节排列顺序、字节中每一位与具体显示点的一一对应关系,必要时还要对码表稍作修改。同一目录下还提供了上述可执行程序的源文件,使用BC3.1编写,供用户参考。
五.实验程序框图
 用户应留心其中行扫描的实现及码表的处理。 六.实验程序:
(一)提供LEDA51演示Asc16字符的简单点阵显示。 ;*********LED 点阵显示示例程序*********************** ;** 该程序显示 Asc16字符 ** ;** 为了简单起见,程序只显示一个字符 ** ;** 该程序针对T598实验机的模块14 ** ;****************************************************
CSLED EQU 8000H CSR1 EQU CSLED ;行1 273 CSR2 EQU CSLED+1H ;行2 273 CSC1 EQU CSLED+2H ;列1 374 CSC2 EQU CSLED+3H ;列2 374
ORG 0000H
MOV SP,#60H INIT: MOV A,#0H ;关闭行 MOV DPTR,#CSR1 MOVX @DPTR,A MOV DPTR,#CSR2 MOVX @DPTR,A MOV A,#0FFH ;关闭列 MOV DPTR,#CSC1 MOVX @DPTR,A MOV DPTR,#CSC2 MOVX @DPTR,A
D: MOV R5,#00H MOV R4,#01H ;每次为单行扫描 DISP: MOV A,R5 MOV DPTR,#ASCE ;此处设定所要显示的字符 MOVC A,@A+DPTR CPL ACC ;代码取反,决定显示的阴阳 MOV DPTR,#CSC2 MOVX @DPTR,A
MOV DPTR,#CSR1 MOV A,R4 MOVX @DPTR,A RL ACC MOV R4,ACC INC R5 LCALL DELAY CJNE R5,#8H,DISP
MOV A,#0H MOVX @DPTR,A
MOV R5,#08H MOV R4,#01H DISP2: MOV A,R5 MOV DPTR,#ASCE MOVC A,@A+DPTR CPL ACC MOV DPTR,#CSC2 MOVX @DPTR,A
MOV DPTR,#CSR2 MOV A,R4 MOVX @DPTR,A RL ACC MOV R4,ACC INC R5 LCALL DELAY CJNE R5,#10H,DISP2
MOV A,#0H MOVX @DPTR,A
SJMP D ;******** 延时子程序,协调字符显示速度 ************* DELAY: MOV R7,#1H DL1: MOV R6,#00H DL2: DJNZ R6,DL2 DJNZ R7,DL1 RET
;******** 字符点阵字库 *************** ; ASC16 字符编码排列 ; 0 ; 1 ; | ; | ; 14 ; 15 ; 高位 D7--D0 ; 请注意编码的排列次序和实际显示点阵分布的关系 ASCA:DB 00H,00H,10H,38H,6CH,0C6H,0C6H,0FEH DB 0C6H,0C6H,0C6H,0C6H,00H,00H,00H,00H ASCE:DB 00H,00H,0FEH,66H,62H,68H,78H,68H DB 60H,62H,66H,0FEH,00H,00H,00H,00H ASCD:DB 00H,00H,0F8H,6CH,66H,66H,66H,66H DB 66H,66H,6CH,0F8H,00H,00H,00H,00H ASCK:DB 00H,00H,0E6H,66H,66H,6CH,78H,78H DB 6CH,66H,66H,0E6H,00H,00H,00H,00H ;**************************************************** END
(二)LEDHZ51两个示例程序。和Hz16字符的简单点阵显示。 ;*********LED 点阵显示示例程序*********************** ;** 该程序显示 hz16字符 ** ;** 为了简单起见,程序只显示一个字符 ** ;** 该程序针对T598实验机的模块14 ** ;****************************************************
CSLED EQU 8000H CSR1 EQU CSLED ;行1 273 CSR2 EQU CSLED+1H ;行2 273 CSC1 EQU CSLED+2H ;列1 374 CSC2 EQU CSLED+3H ;列2 374
ORG 0000H
MOV SP,#60H INIT: MOV A,#0H ;关闭LED显示 MOV DPTR,#CSR1 MOVX @DPTR,A MOV DPTR,#CSR2 MOVX @DPTR,A MOV A,#0FFH ;关闭LED显示 MOV DPTR,#CSC1 MOVX @DPTR,A MOV DPTR,#CSC2 MOVX @DPTR,A
D: MOV R5,#00H MOV R4,#01H DISP: MOV A,R5 RL ACC MOV DPTR,#HZAI MOVC A,@A+DPTR CPL ACC MOV DPTR,#CSC2 MOVX @DPTR,A
MOV A,R5 RL ACC INC ACC MOV DPTR,#HZAI MOVC A,@A+DPTR CPL ACC MOV DPTR,#CSC1 MOVX @DPTR,A
MOV DPTR,#CSR1 MOV A,R4 MOVX @DPTR,A RL ACC MOV R4,ACC INC R5 LCALL DELAY CJNE R5,#8H,DISP
MOV A,#0H MOVX @DPTR,A
MOV R5,#08H MOV R4,#01H DISP2: MOV A,R5 RL ACC MOV DPTR,#HZAI MOVC A,@A+DPTR CPL ACC MOV DPTR,#CSC2 MOVX @DPTR,A
MOV A,R5 RL ACC INC ACC MOV DPTR,#HZAI MOVC A,@A+DPTR CPL ACC MOV DPTR,#CSC1 MOVX @DPTR,A
MOV DPTR,#CSR2 MOV A,R4 MOVX @DPTR,A RL ACC MOV R4,ACC INC R5 LCALL DELAY CJNE R5,#10H,DISP2
MOV A,#0H MOVX @DPTR,A
SJMP D ;******** 延时子程序,协调字符显示速度 ************* DELAY: MOV R7,#1H DL1: MOV R6,#00H DL2: DJNZ R6,DL2 DJNZ R7,DL1 RET ;******** 字符点阵字库 *************** ; HZ16 字符编码排列 ; 0 1 ; 2 3 ; | ; | ; 28 29 ; 30 31 ; 高位 D7--D0 HZAI:DB 00H,78H,3FH,80H,11H,10H,09H,20H DB 7FH,0FEH,42H,02H,82H,04H,7FH,0F8H DB 04H,00H,07H,0F0H,0AH,20H,09H,40H DB 10H,80H,11H,60H,22H,1CH,0CH,08H
HZDI:DB 00H,80H,40H,80H,20H,88H,2FH,0FCH DB 08H,88H,08H,88H,0E8H,88H,2FH,0F8H DB 28H,88H,28H,88H,28H,88H,2FH,0F8H DB 28H,08H,50H,06H,8FH,0FCH,00H,00H
HZKE:DB 01H,00H,01H,04H,0FFH,0FEH,01H,00H DB 01H,10H,1FH,0F8H,10H,10H,10H,10H DB 10H,10H,1FH,0F0H,14H,50H,04H,40H DB 04H,40H,08H,42H,10H,42H,60H,3EH ;**************************************************** END | | | | |