注意:访问本站需要Cookie和JavaScript支持!请设置您的浏览器! 打开购物车 查看留言付款方式联系我们
初中电子 单片机教材一 单片机教材二
搜索上次看见的商品或文章:
商品名、介绍 文章名、内容
首页 电子入门 学单片机 免费资源 下载中心 商品列表 象棋在线 在线绘图 加盟五一 加入收藏 设为首页
本站推荐:
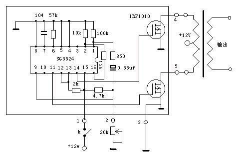
自制大功率高效逆变模块
文章长度[631] 加入时间[2007/2/2] 更新时间[2025/10/30 16:44:31] 级别[0] [评论] [收藏]

 

 

此电路的特点是体积小,效率高,在额定功率范围内温升很小,最大输出功率500W,若要增加功率只要增加并联功率场效应管,可以通过外接电位器进行脉宽调制。
元件选择:驱动电路是专用的脉宽调制震荡SG3524,因其外围元件少,制作简单,所有元件可以用最紧凑的搭焊方法焊在外围,这样可以缩小体积,本电路是否成功的关键是功率场效应管的选择,它的参数最好是50V 50A以上,可选用的是IRF1010,50V 75A的,7、8脚的电阻和电容决定了震荡频率。本电路的频率是250HZ,比工频50HZ高出五倍,所以输出变压器的尺寸和绕制圈数就可以相应减少。如果要工作在50HZ的工频可以适当增大C R的值,这样就可以配接标准的工频控制变压器,这样充电更简单,由于功率管的内部有阻伲二极管,所以只要K断开,直接在输出端输入220V的市电就可以了,整个电路可以用AB胶粘在50X60X1的铝板上。
本模块可以扩展成UPS不间断电源,在二脚外接电压比较电路,还可以稳压输出。

1、 本站不保证以上观点正确,就算是本站原创作品,本站也不保证内容正确。
2、如果您拥有本文版权,并且不想在本站转载,请书面通知本站立即删除并且向您公开道歉! 以上可能是本站收集或者转载的文章,本站可能没有文章中的元件或产品,如果您需要类似的商品请 点这里查看商品列表!
本站协议 | 版权信息 |  关于我们 |  本站地图 |  营业执照 |  发票说明 |  付款方式 |  联系方式
深圳市宝安区西乡五壹电子商行——粤ICP备16073394号-1;地址:深圳西乡河西四坊183号;邮编:518102
E-mail:51dz$163.com($改为@);Tel:(0755)27947428
工作时间:9:30-12:00和13:30-17:30和18:30-20:30,无人接听时可以再打手机13537585389