注意:访问本站需要Cookie和JavaScript支持!请设置您的浏览器! 打开购物车 查看留言付款方式联系我们
初中电子 单片机教材一 单片机教材二
搜索上次看见的商品或文章:
商品名、介绍 文章名、内容
首页 电子入门 学单片机 免费资源 下载中心 商品列表 象棋在线 在线绘图 加盟五一 加入收藏 设为首页
本站推荐:
62.4V/10A充电机原理剖析
文章长度[1477] 加入时间[2007/2/2] 更新时间[2025/10/29 18:31:33] 级别[0] [评论] [收藏]
 


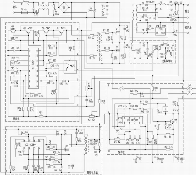
高频开关型充电机因体积小、效率高正流行于市面。前不久笔者从湘桥电子公司购得一块62.4V、10A高频开关型充电机芯,随机还配有散热风扇,笔者认为百余元的价位物有所值。为了便于维修调整,笔者根据实物绘出了原理图。现介绍如下:
该机芯由主板和驱动、辅助电源、保护、过载取样四个模块组成,主板含市电整流、功率变换、高频整流等部件。
市电从主板输入,经整流滤波后作本机主电源。变压器T1、T2与Q1、Q2等构成高频功率变换电路。D2、D3、L2为高频整流及输出隔离元件,D4、IC4等为散热风扇提供12V电源。辅助电源模块为整机提供12V直流工作电源,它以UC3844作脉宽调制,Q8(K1204)、T3等组成功率变换,经D9、C23整流滤波后从该板③、④脚输出12V直流电源。R33、C20决定UC3844的工作频率,本电路工作频率约为200kHz,R38为该电源的电流取样电阻,其压降经R39馈给IC2的③脚,超过1V时即关闭本电源。IC2⑦脚为电源端,开机时+300V经R32为IC2提供电源,电路工作后由D6、D7、C22提供工作电源。
驱动板⑨脚为电源输入,⑧脚为公共地,⑥、⑦脚为高频推动输出端,⑤脚为恒流调整端,④脚为过载保护输入,①脚为充电限压调整端。该板以PWM专用IC TL494为核心,其原理许多报刊已有介绍,在此从略。本板具有过载保护、自动恒流、限压多重保护功能。过载保护是通过L2的检测经过载取样板调整处理后经④脚输入,过载时D14、Q3导通,驱动板U1导通,IC1{14}脚5V基准电压经U1使④脚呈高电平,使死区时间最大,以此关闭IC1的输出。自动恒流是通过R4压降的变化经该板②脚馈至IC1①脚,调整W1可使IC1②脚电压在0~0.5V之间。若确定输出电流Io为10A,则②脚电压应调为0.25V。过压自动保护是将输出电压通过R13、W2、R23分压后供给IC1{16}脚,因{15}脚经R28、R29、R30、R31分压后约为2.2V,故应调整W2使蓄电池充足电后,IC1{16}脚电压为2.2V,改变R23、W2可改变最高充电电压值,该功能对维修行业讲似乎意义不大。
该机保护板具有人工启动功能,其独特的设计使充电机空载或蓄电池接反时均不能启动,它是由双电压比较器LM2903及有关元件实现的。开机后若输出端未接蓄电池或极性接反,按下启动按钮S1,则IC3③脚仍为低电平,输出端①脚也为低电平,继电器J不动作,不能给驱动板提供工作电源。只有正确地接上蓄电池后,按下S1,蓄电池的电压经S1、D10、R46使IC3的③脚呈高电平,①脚输出高电平,Q9导通,J吸合,12V电压才能经该板⑦脚加到驱动板⑨脚,驱动板才能工作。当蓄电池充足电后,充电电流渐小,该电流在R4上的压降由R45送至IC3⑤脚,故调节W3可改变最小电流自动关机临界点,设定终止电流为2A,可调整W3使⑥脚电压为0.05V。
文中模块脚的编号次序是面向元件自左向右依次排列,所有元件代号均为自行编号。本文旨在提供电路以方便读者调整维护。若有不妥之处,请厂方予以更正。

1、 本站不保证以上观点正确,就算是本站原创作品,本站也不保证内容正确。
2、如果您拥有本文版权,并且不想在本站转载,请书面通知本站立即删除并且向您公开道歉! 以上可能是本站收集或者转载的文章,本站可能没有文章中的元件或产品,如果您需要类似的商品请 点这里查看商品列表!
本站协议 | 版权信息 |  关于我们 |  本站地图 |  营业执照 |  发票说明 |  付款方式 |  联系方式
深圳市宝安区西乡五壹电子商行——粤ICP备16073394号-1;地址:深圳西乡河西四坊183号;邮编:518102
E-mail:51dz$163.com($改为@);Tel:(0755)27947428
工作时间:9:30-12:00和13:30-17:30和18:30-20:30,无人接听时可以再打手机13537585389