注意:访问本站需要Cookie和JavaScript支持!请设置您的浏览器! 打开购物车 查看留言付款方式联系我们
初中电子 单片机教材一 单片机教材二
搜索上次看见的商品或文章:
商品名、介绍 文章名、内容
首页 电子入门 学单片机 免费资源 下载中心 商品列表 象棋在线 在线绘图 加盟五一 加入收藏 设为首页
本站推荐:
对讲机用快速充电器
文章长度[727] 加入时间[2007/2/2] 更新时间[2025/10/10 14:17:43] 级别[0] [评论] [收藏]


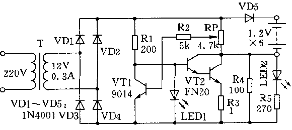
本文介绍一种适用于对讲机,可充6节或9节镍鎘电池的恒流快速充电器,充电时间2小时,充满自停。
(1)工作原理
电路如图所示。Rl、R3、LEDl、VT2组成恒流充电电路;LED2提供恒流基准电压兼作充电指示;R2、RP、VT1组成电池电压检测电路;R4、R5、LED2组成涓流充电电路。开始充电时,由于电池电压较低,VTl截止,VT2通过Rl获正偏而导通,电源通过VT2、R3向电池充电,同时LEDl点亮。在充电过程中,电池电压逐渐上升,当上升到预定值时,VTl导通,VT2截止,LEDl熄灭,相对的大电流充电结束,电池自动转入约为30mA的涓流充电(这样有利于保存电池容量)LED2作涓流充电指示用。
(2)调试方法
将RP向下滑至电池负端,把接电池正负极的引线接一插头,插到对讲机充电插座上。开启充电器电源,LEDl立即点亮,电池开始充电。当电池充到8.4V(6×1.4V)时,调,RP使LEDl熄灭、LED2点亮,调试结束。电池开始充电时最大电流为300mA,电池充满时约为250mA。VTl的饱和压降为0.7V,最大功耗为210mW。VT2(FN20)是达林顿管,最大电流为0.8A,耐压40V,功耗2W,hFE在5000左右。可见9VT2在该充电器中不必加装散热器。当用此电路充9节电池时,只需将变压器T输出电压提高到15V,R1改为330Ω,其余不变。

1、 本站不保证以上观点正确,就算是本站原创作品,本站也不保证内容正确。
2、如果您拥有本文版权,并且不想在本站转载,请书面通知本站立即删除并且向您公开道歉! 以上可能是本站收集或者转载的文章,本站可能没有文章中的元件或产品,如果您需要类似的商品请 点这里查看商品列表!
本站协议 | 版权信息 |  关于我们 |  本站地图 |  营业执照 |  发票说明 |  付款方式 |  联系方式
深圳市宝安区西乡五壹电子商行——粤ICP备16073394号-1;地址:深圳西乡河西四坊183号;邮编:518102
E-mail:51dz$163.com($改为@);Tel:(0755)27947428
工作时间:9:30-12:00和13:30-17:30和18:30-20:30,无人接听时可以再打手机13537585389