| 注意:访问本站需要Cookie和JavaScript支持!请设置您的浏览器! • 打开购物车 • 查看留言 • 付款方式 • 联系我们 |
![]() |
| 首页 | 电子入门 | 学单片机 | 免费资源 | 下载中心 | 商品列表 | 象棋在线 | 在线绘图 | 加盟五一 | 加入收藏 | 设为首页 |
| 选择分类:当前分类——学单片机 相关联或者相类似的文章: qqqqqqqqqqqqqqqqqqqqqqq(563) 证券公司如此欺诈千万股民!!(563) 关于电子管功放的几个误区(562) “有钱人”用钱去骗有钱人(562) 欢迎爱好电子的朋友——试用(562) 观察法(562) 马克.吐温笑话选编(562) 限幅与箝位电路(561) 五年的变化真大——五一电子的订单增了几十倍(560) 30. 四位数数字温度计(560) 可控硅的特性及检测[转帖](560) VB开发Windows环境下的串行通信程序(560) 检查大功率双向晶闸管触发能力的方法 (559) LM386 低电压音频功率放大器(558) 冷热法(558) 学习电子技术从哪里入手最好(557) ISD4004系列单片语音录放电路(557) 基于DS1620和AT89C2051的数字温度计(557) ;实时时钟DS1302(汇编)(556) 锁相环CD4046应用介绍(556) 首页 前页 后页 尾页 本站推荐: | 图解S51并口下载线的制作
网友聂忠强写的S51下载线软件Easy 51Pro v2.0,其并口下载线的制作简单使用方便,下载的速度也很快,其稳定性也很不错。下面我把自已的制作经验用图解的形式和大家分享,同时感谢聂忠强网友无私的奉献。 软件下载:Easy 51Pro v2.0 图一是我修改了的电路图
在制作的过程中我使用过74LS373代替74HC373,但无法和软件通读,查资料和实际电路发现74LS373的输出电平只有3点几伏,所以无法和连通单片机的SIP。我也用过74HC374,它是可以在这个电路中取代74HC373的。
电路中只用了一片74HC373所以完全可以把电路装在DB25插针式并口插头内部,这个可以做到很小巧,可以很方便的使用。现在AT89C51停产了,制作一个AT89S51/S52下载线是很有必要的。特别是以前购买了C51编程器的朋友。而且制作的成本是十分低的,只要自己动手做一下就可以用不到十元就可以拥有一个学习51单片机的好工具。
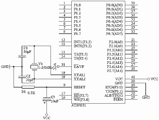
光是做好下载线是不行的,S51系统的ISP下载方式还要求要下载程序单片机运行在最小化系统中。只要把图四和图一的相应引脚连接起来就可以对S51进行ISP下载了。要接的引线是S51的6,7,8,9,20,40引脚。晶振可以在3M-24M间选用,当然是看你的目标板了。旧的C51系统也可以改装后换上S51芯片使用ISP下载方式进行程序的在线升级。
为了方便使用我们需要做一个下载头,图五中之所以有两个接头是因为我的目标板原先没有设计专门的下载线接口,所以要针对目标板做上两个接头。大家可以在一条下载线上做一个接头,再根据不同的目标板做不同的转接头。图六则是下载线用在我的目标板上。电路很简单接线正确的话一般无需要调整就可以正常使用,如有问题可以用软件中的IspTest.exe(下载线调试程序)检查你的74HC373芯片是否正常和你的电脑并口是否正常,检查的方法是按程序的中按键再用万用表看看相关的引脚电平是否正常。要注意的是软件只支持LPT1(378H)。
1、 本站不保证以上观点正确,就算是本站原创作品,本站也不保证内容正确。 2、如果您拥有本文版权,并且不想在本站转载,请书面通知本站立即删除并且向您公开道歉! |
|
本站协议 |
版权信息 |
关于我们 |
本站地图 |
营业执照 |
发票说明 |
付款方式 |
联系方式
深圳市宝安区西乡五壹电子商行——粤ICP备16073394号-1;地址:深圳西乡河西四坊183号;邮编:518102 E-mail:51dz$163.com($改为@);Tel:(0755)27947428 工作时间:9:30-12:00和13:30-17:30和18:30-20:30,无人接听时可以再打手机13537585389 |