注意:访问本站需要Cookie和JavaScript支持!请设置您的浏览器! 打开购物车 查看留言付款方式联系我们
初中电子 单片机教材一 单片机教材二
搜索上次看见的商品或文章:
商品名、介绍 文章名、内容
首页 电子入门 学单片机 免费资源 下载中心 商品列表 象棋在线 在线绘图 加盟五一 加入收藏 设为首页
本站推荐:
用单片机制作测速仪
文章长度[] 加入时间[2007/8/14] 更新时间[2025/11/2 1:40:38] 级别[0] [评论] [收藏]
 
用单片机制作测速仪
---------------------------------------------------------------------------------------

    测速是工农业生产中经常遇到的问题,学会使用单片机技术设计测速仪表具有很重要的意义。
   要测速,首先要解决是采样的问题。在使用模拟技术制作测速表时,常用测速发电机的方法,即将测速发电机的转轴与待测轴相连,测速发电机的电压高低反映了转速的高低。使用单片机进行测速,可以使用简单的脉冲计数法。只要转轴每旋转一周,产生一个或固定的多个脉冲,并将脉冲送入单片机中进行计数,即可获得转速的信息。

 

一、脉冲信号的获得
    可以有多种方式来获得脉冲信号,这些方法有各自的应用场合。下面逐一进行分析。

1.霍尔传感器
    霍尔传感器是对磁敏感的传感元件,常用于开关信号采集的有CS3020、CS3040等,这种传感器是一个3端器件,外形与三极管相似,只要接上电源、地,即可工作,输出通常是集电极开路(OC)门输出,工作电压范围宽,使用非常方便。如图1所示是CS3020的外形图,将有字面对准自己,三根引脚从左向右分别是Vcc,地,输出。
 

 
 
  图1 CS3020外形图

    使用霍尔传感器获得脉冲信号,其机械结构也可以做得较为简单,只要在转轴的圆周上粘上一粒磁钢,让霍尔开关靠近磁钢,就有信号输出,转轴旋转时,就会不断地产生脉冲信号输出。如果在圆周上粘上多粒磁钢,可以实现旋转一周,获得多个脉冲输出。在粘磁钢时要注意,霍尔传感器对磁场方向敏感,粘之前可以先手动接近一下传感器,如果没有信号输出,可以换一个方向再试。
    这种传感器不怕灰尘、油污,在工业现场应用广泛。

 

2.光电传感器
    光电传感器是应用非常广泛的一种器件,有各种各样的形式,如透射式、反射式等,基本的原理就是当发射管光照射到接收管时,接收管导通,反之关断。以透射式为例,如图2所示,当不透光的物体挡住发射与接收之间的间隙时,开关管关断,否则打开。为此,可以制作一个遮光叶片如图3所示,安装在转轴上,当扇叶经过时,产生脉冲信号。当叶片数较多时,旋转一周可以获得多个脉冲信号。
 

  
 
图2 光电传感器的原理图
 
 
 
 
图3 遮光叶片

 

3.光电编码器
    光电编码器的工作原理与光电传感器一样,不过它已将光电传感器、电子电路、码盘等做成一个整体,只要用连轴器将光电传感器的轴与转轴相连,就能获得多种输出信号。它广泛应用于数控机床、回转台、伺服传动、机器人、雷达、军事目标测定等需要检测角度的装置和设备中。如图4所示,是某光电编码器的外形。
 

 
图4 成品光电编码器 

二、硬件连接
    测速的方法决定了测速信号的硬件连接,测速实际上就是测频,因此,频率测量的一些原则同样适用于测速。
    通常,可以用计数法、测脉宽法和等精度法来进行测试。所谓计数法,就是给定一个闸门时间,在闸门时间内计数输入的脉冲个数;测脉宽法是利用待测信号的脉宽来控制计数门,对一个高精度的高频计数信号进行计数。由于闸门与被测信号不能同步,因此,这两种方法都存在±1误差的问题,第一种方法适用于信号频率高时使用,第二种方法则在信号频率低时使用。等精度法则对高、低频信号都有很好的适应性。
    这里为简化讨论,仅采用计数法来进行测试。
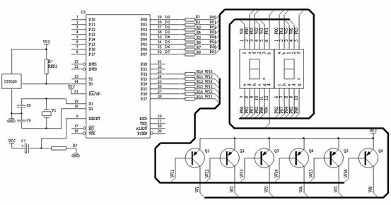
    图5所示是测速器的电路图,由六位数码管和测速接口组成。其中T0处接的只画了一只CS3020组成的霍尔传感器接线图,如果采用光电传感器接口也是一样的,读者可自行画出接线图。

 

  
 
图5 测速计电路原理图

 

三、软件编程
    测量转速,使用霍尔传感器,被测轴安装有12只磁钢,即转轴每转一周,产生12个脉冲,要求将转速值(转/分)显示在数码管上。
程序如下:
DISPBUF EQU 5AH  ;显示缓冲区从5AH开始
SecCoun EQU 59H
SpCoun EQU 57H ;速度计时器单元57H和58H,高位在前(57H单元中)
Count EQU 56H ;显示时的计数器
SpCalc bit 00h ;要求计算速度的标志
Hidden EQU 16 ;消隐码

ORG 0000H
AJMP START
ORG 1BH
JMP TIMER1 ;定时中断1入口

ORG 30H
START: MOV SP,#5FH ;设置堆栈
MOV P1,#0FFH
MOV P0,#0FFH
MOV P2,#0FFH ;初始化,所有显示器、LED灭
MOV TMOD,#00010101B ;定时器T1工作于方式1,定时器0工作方式1 MOV TH1,#HIGH(65536-4000)
MOV TL1,#LOW(65536-4000)
SETB TR1
SETB ET1 ;开定时器1中断
SETB EA

LOOP: JNB SpCalc,LOOP ;如果未要求计算,转本身循环

;标号: MULD    功能:双字节二进制无符号数乘法
;入口条件:被乘数在R2、R3中,乘数在R6、R7中。
;出口信息:乘积在R2、R3、R4、R5中。
;影响资源:PSW、A、B、R2~R7    堆栈需求:  2字节
MOV R2,SpCoun
MOV R3,SpCoun+1
MOV R6,#0
MOV R7,#5 ;测得的数值是每秒计数值,转为每分转速(每一转测12次,故乘5而非60)
CALL MULD
;标号: HB2   功能:双字节十六进制整数转换成双字节BCD码整数
;入口条件:待转换的双字节十六进制整数在R6、R7中。
;出口信息:转换后的三字节BCD码整数在R3、R4、R5中。
;影响资源:PSW、A、R2~R7    堆栈需求:  2字节
MOV A,R4
MOV R6,A
MOV A,R5
MOV R7,A ;将乘得的结果送R6R准备转换,这里结果不可能超过2字节
CALL HB2
CBCD: 
MOV DISPBUF,R3 ;最高位

MOV A,R4 ;
ANL A,#0F0H ;去掉低4位
SWAP A ;将高4位切换到低4位
MOV DISPBUF+1,A

MOV A,R4
ANL A,#0FH
MOV DISPBUF+2,A

MOV A,R5
ANL A,#0F0H
SWAP A
MOV DISPBUF+3,A

MOV A,R5
ANL A,#0FH
MOV DISPBUF+4,A

CLR SpCalc ;清计算标志
JMP LOOP

;主程序到此结束
TIMER1: PUSH ACC;ACC入栈
PUSH PSW ;PSW入栈
SETB RS0 ;工作区1
JNB TR0,SETTR0 ;如果T0未运行,则开启T0
JMP GO1
SETTR0:
SETB TR0
GO1: 
INC SecCoun ;秒计数器加1
MOV A,SecCoun
CJNE A,#251,Go2 ;如果未到1s则转
CLR TR0 ;1s到了,则停止T0的运行
MOV SpCoun,TH0
MOV SpCoun+1,TL0 ;读取计数值
CLR A
MOV TH0,A
MOV TL0,A ;清计数器
SETB SpCalc ;要求主程序计算速度
MOV SecCoun,#0 ;清秒计数器
Go2: 
INC COUNT       ;用于显示的计数器
MOV A,COUNT
CLR C
SUBB A,#6
JZ N1
JMP N2
N1: MOV COUNT,#0
N2: MOV A,#DISPBUF
ADD A,COUNT 
MOV R0,A ;指向当前要显示的显示缓冲区
MOV A,@R0 ;取第一个待显示数
MOV DPTR,#DISPTAB ;字形表首地址
MOVC A,@A+DPTR  ;取字形码
MOV P0,A ;将字形码送P0位(段口)
MOV A,COUNT
MOV DPTR,#BitTab ;字位表首地址
MOVC A,@A+DPTR
ORL P2,#11111100B   
ANL P2,A
MOV TH1,#HIGH(65536-4000) 
MOV TL1,#LOW(65536-4000)
POP PSW
POP ACC
RETI

BitTab: DB 7Fh,0BFH,0DFH,0EFH,0F7H,0FBH
DISPTAB:DB 0C0H,0F9H,0A4H,0B0H,99H,92H,82H,0F8H,80H,90H,88H,83H,0C6H,0A1H,86H,8EH,0FFH
……其他数学运算程序(略)

四、程序分析
    主程序在对定时器、计数器、堆栈等进行初始化后即判断标志SpCalc是否为1,如果为1,说明要求对数据进行计算处理,首先将SpCalc标志清零,以保证下次能正常判断,然后进入数据处理程序,由于这里的闸门时间为1s,而显示要求为转/分,因此,要将测到的数据进行转换,转换的方法是将测得的数据乘以60,但由于转轴上安装有12只磁钢,每旋转一周可以得到12个脉冲,因此,要将测得的数据除以12,所以综合起来,将测得的数据乘以5即可得到每分钟的转速。计算得到的结果是二进制的整数,要将数据送往显示缓冲区需要将该数转化为BCD码。运算得到的是压缩BCD码,需要将其转换为非压缩BCD码,从标号CBCD开始的一段程序即作了这样的处理。需要说明的是,这里多位二进制乘法和多位二进制到BCD码的转换都是用了现成的成熟子程序,因此,首先将二进制数转换为压结合实际BCD码,然后再转换成非压缩BCD码,看似多写了些程序,实际上这对于保证程序的质量很有好处。
    定时器T1用作4ms定时发生器,在定时中断程序中进行数码管的动态扫描,同时产生1s的闸门信号。1s闸门信号的产生是通过一个计数器Count,每次中断时间为4ms,每计250次即为1s,到了1s后,即清除计数器Count,然后关闭作为计数器用的T0,读出TH0、TL0中的数值,分别送入SpCoun和SpCoun+1单元,将T0中的值清空,置SpCalc标志为1,要求主程序进行速度值的计算。这里还有一个细节,用作1s闸门信号产生的Count每次中断都会加1,而T0却有一个周期是被关闭的,因此,计数值是251而不是250。


 

1、 本站不保证以上观点正确,就算是本站原创作品,本站也不保证内容正确。
2、如果您拥有本文版权,并且不想在本站转载,请书面通知本站立即删除并且向您公开道歉! 以上可能是本站收集或者转载的文章,本站可能没有文章中的元件或产品,如果您需要类似的商品请 点这里查看商品列表!
本站协议 | 版权信息 |  关于我们 |  本站地图 |  营业执照 |  发票说明 |  付款方式 |  联系方式
深圳市宝安区西乡五壹电子商行——粤ICP备16073394号-1;地址:深圳西乡河西四坊183号;邮编:518102
E-mail:51dz$163.com($改为@);Tel:(0755)27947428
工作时间:9:30-12:00和13:30-17:30和18:30-20:30,无人接听时可以再打手机13537585389