注意:访问本站需要Cookie和JavaScript支持!请设置您的浏览器! 打开购物车 查看留言付款方式联系我们
初中电子 单片机教材一 单片机教材二
搜索上次看见的商品或文章:
商品名、介绍 文章名、内容
首页 电子入门 学单片机 免费资源 下载中心 商品列表 象棋在线 在线绘图 加盟五一 加入收藏 设为首页
本站推荐:
10. 00-99计数器
文章长度[] 加入时间[2008/5/30] 更新时间[2025/10/27 3:39:09] 级别[0] [评论] [收藏]
 
1. 实验任务
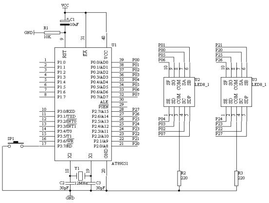
利用AT89S51单片机来制作一个手动计数器,在AT89S51单片机的P3.7管脚接一个轻触开关,作为手动计数的按钮,用单片机的P2.0-P2.7接一个共阴数码管,作为00-99计数的个位数显示,用单片机的P0.0-P0.7接一个共阴数码管,作为00-99计数的十位数显示;硬件电路图如图19所示。
2. 电路原理图
图4.10.1
3. 系统板上硬件连线
(1.       把“单片机系统”区域中的P0.0/AD0-P0.7/AD7端口用8芯排线连接到“四路静态数码显示模块”区域中的任一个a-h端口上;要求:P0.0/AD0对应着a,P0.1/AD1对应着b,……,P0.7/AD7对应着h。
(2.       把“单片机系统”区域中的P2.0/A8-P2.7/A15端口用8芯排线连接到“四路静态数码显示模块”区域中的任一个数码管的a-h端口上;
(3.       把“单片机系统”区域中的P3.7/RD端口用导线连接到“独立式键盘”区域中的SP1端口上;
4. 程序设计内容
(1.       单片机对按键的识别的过程处理
(2.       单片机对正确识别的按键进行计数,计数满时,又从零开始计数;
(3.       单片机对计的数值要进行数码显示,计得的数是十进数,含有十位和个位,我们要把十位和个位拆开分别送出这样的十位和个位数值到对应的数码管上显示。如何拆开十位和个位我们可以把所计得的数值对10求余,即可个位数字,对10整除,即可得到十位数字了。
(4.       通过查表方式,分别显示出个位和十位数字。
5. 程序框图
图4.10.2
6. 汇编源程序
Count                  EQU 30H
SP1                     BIT P3.7
                            ORG 0
START:               MOV Count,#00H
NEXT:                MOV A,Count
                            MOV B,#10
                           DIV AB
                            MOV DPTR,#TABLE
                           MOVC A,@A+DPTR
                            MOV P0,A
                            MOV A,B
                           MOVC A,@A+DPTR
                            MOV P2,A
WT:                     JNB SP1,WT
WAIT:                 JB SP1,WAIT
                            LCALL DELY10MS
                           JB SP1,WAIT
                            INC Count
                            MOV A,Count
                           CJNE A,#100,NEXT
                            LJMP START
DELY10MS:       MOV R6,#20
D1:                      MOV R7,#248
                            DJNZ R7,$
                           DJNZ R6,D1
                            RET
TABLE:              DB 3FH,06H,5BH,4FH,66H,6DH,7DH,07H,7FH,6FH
                            END
7. C语言源程序
#include <AT89X51.H>
unsigned char code table[]={0x3f,0x06,0x5b,0x4f,0x66,
                            0x6d,0x7d,0x07,0x7f,0x6f};
unsigned char Count;
void delay10ms(void)
{
  unsigned char i,j;
  for(i=20;i>0;i--)
  for(j=248;j>0;j--);
}
void main(void)
{
  Count=0;
  P0=table[Count/10];
  P2=table[Count%10];
  while(1)
    {
      if(P3_7==0)
        {
          delay10ms();
          if(P3_7==0)
            {
              Count++;
              if(Count==100)
                {
                  Count=0;
                }
              P0=table[Count/10];
              P2=table[Count%10];
              while(P3_7==0);
            }
        }
    }
}
1、 本站不保证以上观点正确,就算是本站原创作品,本站也不保证内容正确。
2、如果您拥有本文版权,并且不想在本站转载,请书面通知本站立即删除并且向您公开道歉! 以上可能是本站收集或者转载的文章,本站可能没有文章中的元件或产品,如果您需要类似的商品请 点这里查看商品列表!
本站协议 | 版权信息 |  关于我们 |  本站地图 |  营业执照 |  发票说明 |  付款方式 |  联系方式
深圳市宝安区西乡五壹电子商行——粤ICP备16073394号-1;地址:深圳西乡河西四坊183号;邮编:518102
E-mail:51dz$163.com($改为@);Tel:(0755)27947428
工作时间:9:30-12:00和13:30-17:30和18:30-20:30,无人接听时可以再打手机13537585389