注意:访问本站需要Cookie和JavaScript支持!请设置您的浏览器! 打开购物车 查看留言付款方式联系我们
初中电子 单片机教材一 单片机教材二
搜索上次看见的商品或文章:
商品名、介绍 文章名、内容
首页 电子入门 学单片机 免费资源 下载中心 商品列表 象棋在线 在线绘图 加盟五一 加入收藏 设为首页
本站推荐:
16. 定时计数器T0作定时应用技术(二)
文章长度[] 加入时间[2008/5/30] 更新时间[2025/10/28 14:30:31] 级别[0] [评论] [收藏]
 
1.      实验任务
用AT89S51的定时/计数器T0产生2秒钟的定时,每当2秒定时到来时,更换指示灯闪烁,每个指示闪烁的频率为0.2秒,也就是说,开始L1指示灯以0.2秒的速率闪烁,当2秒定时到来之后,L2开始以0.2秒的速率闪烁,如此循环下去。0.2秒的闪烁速率也由定时/计数器T0来完成。
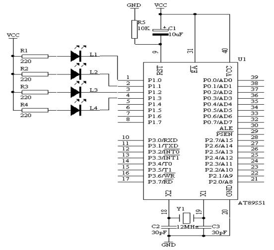
2.      电路原理图
图4.16.1
3.      系统板硬件连线
(1.       把“单片机系统”区域中的P1.0-P1.3用导线连接到“八路发光二极管指示模块”区域中的L1-L4上
4.      程序设计内容
(1.       由于采用中断方式来完成,因此,对于中断源必须它的中断入口地址,对于定时/计数器T0来说,中断入口地址为000BH,因此在中断入口地方加入长跳转指令来执行中断服务程序。书写汇编源程序格式如下所示:
                            ORG 00H
                            LJMP START
                            ORG 0BH        ;定时/计数器T0中断入口地址
                            LJMP INT_T0
START:               NOP          ;主程序开始
                            .
                            .
INT_T0:             PUSH ACC                  ;定时/计数器T0中断服务程序
                            PUSH PSW
                            .
                            .
                            POP PSW
                            POP ACC
                            RETI                   ;中断服务程序返回
                            END
(2.       定时2秒,采用16位定时50ms,共定时40次才可达到2秒,每50ms产生一中断,定时的40次数在中断服务程序中完成,同样0.2秒的定时,需要4次才可达到0.2秒。对于中断程序,在主程序中要对中断开中断。
(3.       由于每次2秒定时到时,L1-L4要交替闪烁。采用ID来号来识别。当ID=0时,L1在闪烁,当ID=1时,L2在闪烁;当ID=2时,L3在闪烁;当ID=3时,L4在闪烁
5.      程序框图
T0中断服务程序框图

等待中断
TR0=1,ET0=1,EA=1
开 始
Count2S=0,Cnt02S=0,ID=0
TMOD=01H,TH0,TL0装入定时初值
 

主程序框图

 

 
图4.16.2
6.      汇编源程序
TCOUNT2S                EQU 30H
TCNT02S                    EQU 31H
ID                                 EQU 32H
                                      ORG 00H
                                      LJMP START
                                      ORG 0BH
                                      LJMP INT_T0
START:                        MOV TCOUNT2S,#00H
                                     MOV TCNT02S,#00H
                                     MOV ID,#00H
                                      MOV TMOD,#01H
                                      MOV TH0,#(65536-50000) / 256
                                      MOV TL0,#(65536-50000) MOD 256
                                      SETB TR0
                                      SETB ET0
                                      SETB EA
                                      SJMP $
INT_T0:                      MOV TH0,#(65536-50000) / 256
                                      MOV TL0,#(65536-50000) MOD 256
                                      INC TCOUNT2S
                                      MOV A,TCOUNT2S
                                      CJNE A,#40,NEXT
                                      MOV TCOUNT2S,#00H
                                      INC ID
                                      MOV A,ID
                                      CJNE A,#04H,NEXT
                                      MOV ID,#00H
NEXT:                          INC TCNT02S
                                      MOV A,TCNT02S
                                      CJNE A,#4,DONE
                                      MOV TCNT02S,#00H
                                      MOV A,ID
                                      CJNE A,#00H,SID1
                                      CPL P1.0
                                      SJMP DONE
SID1:                            CJNE A,#01H,SID2
                                      CPL P1.1
                                      SJMP DONE
SID2:                           CJNE A,#02H,SID3
                                      CPL P1.2
                                      SJMP DONE
SID3:                            CJNE A,#03H,SID4
                                      CPL P1.3
SID4:                            SJMP DONE
DONE:                        RETI
                                      END
7.      C语言源程序
#include <AT89X51.H>
unsigned char tcount2s;
unsigned char tcount02s;
unsigned char ID;
void main(void)
{
  TMOD=0x01;
  TH0=(65536-50000)/256;
  TL0=(65536-50000)%256;
  TR0=1;
  ET0=1;
  EA=1;
  while(1);
}
void t0(void) interrupt 1 using 0
{
  tcount2s++;
  if(tcount2s==40)
    {
      tcount2s=0;
      ID++;
      if(ID==4)
        {
          ID=0;
        }
    }
  tcount02s++;
  if(tcount02s==4)
    {
      tcount02s=0;
      switch(ID)
        {
          case 0:
            P1_0=~P1_0;
            break;
          case 1:
            P1_1=~P1_1;
            break;
          case 2:
            P1_2=~P1_2;
            break;
          case 3:
            P1_3=~P1_3;
            break;
        }
    }
1、 本站不保证以上观点正确,就算是本站原创作品,本站也不保证内容正确。
2、如果您拥有本文版权,并且不想在本站转载,请书面通知本站立即删除并且向您公开道歉! 以上可能是本站收集或者转载的文章,本站可能没有文章中的元件或产品,如果您需要类似的商品请 点这里查看商品列表!
本站协议 | 版权信息 |  关于我们 |  本站地图 |  营业执照 |  发票说明 |  付款方式 |  联系方式
深圳市宝安区西乡五壹电子商行——粤ICP备16073394号-1;地址:深圳西乡河西四坊183号;邮编:518102
E-mail:51dz$163.com($改为@);Tel:(0755)27947428
工作时间:9:30-12:00和13:30-17:30和18:30-20:30,无人接听时可以再打手机13537585389